Please choose your delivery location

The selection of the country/region page can influence various factors such as price, shipping options and product availability.
My contact person
e-chains®, chainflex®, cables, harnessed systems readychain®

+972 3 9269595
Photo
dry-tech® bearing technology

+972 3 9269595
Photo
IL(EN)

Improve technology and reduce the costs by 25% and more.

drylin® SLW linear modules… 7 installation sizes, custom configurable, delivered in 2-4 days

Glides instead of rolling! Lubricant-free through dry-tech® polymers

igus® SLW linear modules are based on the drylin® W linear construction kit and on maintenance-free and self-lubricating dry-tech® high-performance plastics. The lubricant is incorporated into the bearing material, rendering the bearing materials suitable for dry-running conditions, e.g. they are maintenance-free for the entire length of their service life. Ready-to-install linear modules are available in 2-4 days.

Take advantage of the technical benefits of our maintenance-free drylin® drive technology.

1.1. Resistant against dirt, dust, moisture absorption

Particles are repelled from the contact surface by the movement.

Details of working principle

Resistant against dirt, dust, moisture absorption

Dry run, without lubrication

drylin® linear bearing systems are designed for dry-running. All applications are therefore protected against contamination with grease or oil. Even the application under coarse dirt and sand is possible.

igus® tested

Insensitivity to dirt

Dirtparticles are repelled from the contact surface by the movement itself. Here the front side of the gliders works like a wiper. The contact surface remains clean.

Application example

Diaper production systems

The plants process super-absorbers and pulp that generate relatively high dirt and dust exposure. As superabsorbent polymers also behave similarly to sand, dirt accumulates as a result of friction.

1.2. Low noise

Details of working principle

Quiet and smooth

Low noise

The operating noise is also greatly reduced by switching the operating principle from rolling to gliding. There is no mechanical rolling up of hard gliding partner and no ball collisions that cause loud noises.

igus® tested

Low noise

The gliding motion is extremely low noise and only a light friction noise is audible.

Application example

Edge taker

Format adjustment of the sensors for web edge detection and print mark recognition through drylin® SLW linear table solution with position indicator and hand wheel (convenient and reproducible positioning from outside)

1.3. Clean and hygienic

Details of working principle

Quiet and smooth

Clean and hygenic

The dry-running properties of iglidur® plain bearings are not only advantageous in contaminated environments. The absence of lubrication is also an important criterion in applications with elevated requirements for hygiene and purity.

Tested

clear room applicable

The tested drylin® guides reveal a distinct applicability for cleanrooms. The following drylin® guides from igus® were tested: N40, W10, T25 and T30.

Application example

Coder

The drylin® spindle lift table with position indicator and handwheel is used in a coder to label cheese because of its freedom from lubricants.

1.4. Resistant to corrosion

Details of working principle

Corrosion behavior

Resistant to corrosion and media resistant

All iglidur® plastic plain bearings are by their nature corrosion-free. There are also special purpose materials, which can be used against caustic solutions, acids, cleaning agents, etc., and, due to their media resistance, can be used even under the most adverse conditions. - The product range also has special purpose materials for permanent use in submerged conditions.

igus® tested

Resistant to corrosion and media resistant

Corrosion-free unit

The resistance of linear bearing systems is equally dependent on the counter partner. The igus® construction kit can be delivered complete as a corrosion-free unit made from stainless steel.

Application example

Inspection systems

drylin® SLW or SHT linear tables solve the height adjustment of cameras and sensors

2. bearing materials

Materials for any shaft material, superior specific wear

Details of working principle

Low wear - plain bearing liners made from high-performance polymers

High Performance Polymers

SLW linear modules can be configured and supplied to match the application with respect to the plain bearing materials. Standard configurations for SLW systems include bearings made from wear-resistant iglidur® J/J200 materials. Bearings and lead screw nuts made from iglidur® X materials in combination with stainless steel are the best option for applications that require extreme chemical resistance. The FDA compliant iglidur® A180 material is particularly well suited for applications in the food/pharmaceutical sectors.

igus® tested

Liner materials

iglidur® J

the Standard

best friction values

good wear resistance

Lowest humidity absorption


iglidur® J200

ideal with aluminium

Low coefficients of friction

excellent wear resistance with anodised aluminium


iglidur® A180

FDA compliance

for direct use in the vicinity of (or in contact with) food or pharmaceuticals

Lowest humidity absorption


iglidur® X

high temperatures from -100 to 250°C

Universal resistance to chemicals

High compressive strength

igus® tested

Extensive lab tests and years of field experience have shown that iglidur® J, J200, X and A180 are ideal materials for most linear applications due to their favourable wear and friction properties.

3. Selecting the ideal housing bearing material

Various housing bearing materials available

Zinc die-casting: cost-effective standard bearing

Aluminium: low component weight

Stainless steel: corrosion-resistant and also for high temperatures

Turn-to-fit mechanism: Manual adjustable clearance by „Turn-to-Fit“ function with allen key


4. Thread selection

Thread types

Low wear - plain bearing liners made from high-performance polymers

Trapezoidal threads

Standard configurations on SLW linear module are equipped with single start trapezoidal lead screws and are self-locking. This means that the flank angle and the sliding friction prevent movement of the nut or the lead screw without the application of outside forces. The carriage remains in the selected position. Lead screws made from C15 steel, corrosion-resistant VA (1.4301/1.4305), and coated aluminium are available as counter-partners for drylin® trapezoidal lead screw nuts.

Thread types

Steep thread

drylin® linear modules with high-helix lead screws can be installed for fast adjustment and positioning tasks. High-helix lead screws are made from corrosion-resistant stainless steel (1.4021) and do not have a self-locking feature. This allows them to be used for applications where linear carriages are quickly moved manually on demand.

Application example

Format adjustments

Application in the glass industry Format adjustment on conveyor for separation of bottles.

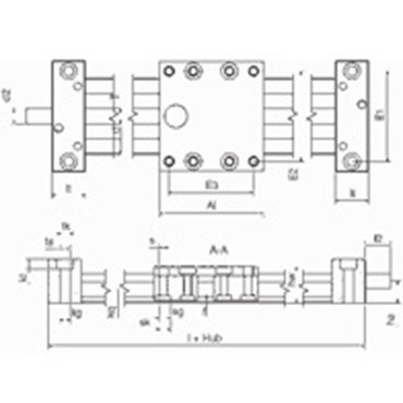
5. drylin® W rail profiles

... Aluminum hard anodized
... Stainless steel (size 1040 & 2080)

Details of working principle

Low wear - plain bearing liners made from high-performance polymers

Optimum operating properties

Linear modules of type series SLW, SAW and ZLW are based on the lubricant-free drylin® linear construction kit. The extremely torsion-resistant aluminium profiles are produced on extrusion presses. The surface is hard-anodised and is characterised by good wear properties, high chemical resistance and a high degree of hardness. As a counter partner to our dry-tech® high-performance polymers, they ensure superior operating characteristics, are predictable and have a long service life.

Application example

Corrossion-resistant

Stainless steel SLW modules based on guide shafts made from V4A (1.4571) materials are available for environments that require extreme corrosion-resistance.

igus® selection tools

Product finder drive technology

Compare, design and configure linear units online quickly and conveniently.
 

 
Expert & Lifetime calculation Easy request complete drylin® systems

6. 7 installation sizes 7 carriage widths

SLW linear modules are available in 7 installation sizes. Available in installation sizes 06 -25, the SLW type series has a linear module that matches the installation size for your applications.

Double rail angular

Installation size 30: 54 mm

Douple rail round

Installation size 1040: 73 mm
Installation size 1080: 107 mm
Installation size 1660: 104 mm
Installation size 2080: 153 mm
Installation size 25120: 195 mm

7. Selecting the ideal carriage length

SLW linear modules can be installed with carriages in various lengths for the best torque support. A multi-carriage solution is possible in any installation size.
Installation size 06: 60/80/100
Installation size 1040: 69/100/150
Installation size 1080: 100/150/200
Installation size 10120: 100/150/200
Installation size 1660: 100/150/200
Installation size 2080: 150/200/250
Installation size 25120: 150/200/250

8. Various stroke lengths

Details of working principle

Various rails available

Configured to millimetre accuracy

SLW linear modules can be configured to millimetre accuracy and are accordingly ideally adapted to customer requirements.

Details of working principle

Maximum stroke lengths

The maximum stroke lengths are dependent on installation size.
 
Installation size 0630: 300 mm
Installation size 1040: 750 mm
Installation size 1080: 750 mm
Installation size 1660: 750 mm
Installation size 2080: 1000 mm
Installation size 25120: 1250 mm

Details of working principle

Quiet spindles for strokes > 750 mm

By these spindle supports carried by the guide carriage, which position themselves independently at different points along the stroke path, users can now easily implement the long stroke lengths > 750 mm.

9. Rail diameter

Double rail angular

Installation size: 06 mm

Douple rail round

Installation size: 10mm, 16 mm, 20 mm, 25 mm

11.Accessory / options

Motion control accessories

numerous accessories

Manual adjustments

An extensive list of accessories is available for drylin® SLW linear modules to quickly and conveniently design manual motion control. When directly configured with the linear unit, the units are shipped fully assembled.
Position indicator

Leadscrew clamp

Hand wheel

angular drive

Motion control accessories

Motor-powered motion control

Linear modules of type series SLW can be configured and supplied with drylin® E stepper or DC motors. In addition, a large product range of accessories is available, consisting of motor kits, chainflex power cables, proximity switches, gearboxes or adapter plates for gantry structures.

Application example

drylin® E - "E" as in electric

The consistant development of the toolbox and system concept of the lubrication-free drylin® drive technology.
 
Compare, design and configure suitable linear tables and motors online quickly and easily.

More information:


Order key



The terms "Apiro", "AutoChain", "CFRIP", "chainflex", "chainge", "chains for cranes", "ConProtect", "cradle-chain", "CTD", "drygear", "drylin", "dryspin", "dry-tech", "dryway", "easy chain", "e-chain", "e-chain systems", "e-ketten", "e-kettensysteme", "e-loop", "energy chain", "energy chain systems", "enjoyneering", "e-skin", "e-spool", "fixflex", "flizz", "i.Cee", "ibow", "igear", "iglidur", "igubal", "igumid", "igus", "igus improves what moves", "igus:bike", "igusGO", "igutex", "iguverse", "iguversum", "kineKIT", "kopla", "manus", "motion plastics", "motion polymers", "motionary", "plastics for longer life", "print2mold", "Rawbot", "RBTX", "RCYL", "readycable", "readychain", "ReBeL", "ReCyycle", "reguse", "robolink", "Rohbot", "savfe", "speedigus", "superwise", "take the dryway", "tribofilament", "tribotape", "triflex", "twisterchain", "when it moves, igus improves", "xirodur", "xiros" and "yes" are legally protected trademarks of the igus® SE & Co. KG/ Cologne in the Federal Republic of Germany and where applicable in some foreign countries. This is a non-exhaustive list of trademarks (e.g. pending trademark applications or registered trademarks) of igus SE & Co. KG or affiliated companies of igus in Germany, the European Union, the USA and/or other countries or jurisdictions.

igus® SE & Co. KG points out that it does not sell any products of the companies Allen Bradley, B&R, Baumüller, Beckhoff, Lahr, Control Techniques, Danaher Motion, ELAU, FAGOR, FANUC, Festo, Heidenhain, Jetter, Lenze, LinMot, LTi DRiVES, Mitsubishi, NUM,Parker, Bosch Rexroth, SEW, Siemens, Stöber and all other drive manufacturers mention on this website. The products offered by igus® are those of igus® SE & Co. KG