Please choose your delivery location

The selection of the country/region page can influence various factors such as price, shipping options and product availability.
My contact person
e-chains®, chainflex®, cables, harnessed systems readychain®

+972 3 9269595
Photo
dry-tech® bearing technology

+972 3 9269595
Photo
IL(EN)

drylin® N - Low profile linear guide system NK-02-27

Order no. Max. rail lengths a C4 A3 C5=C6 h h1 K1* ly lz Weight of rail Price / m  
  [L max.]       Min. max.       [mm2] [mm2] [g/m]    
ready for shipping in 24-48 hours NS-01-27 3000 27 60 0 20 20/49,5 9 1.1 M4 6524 588 290 41.73 EUR Add to shopping cart
ready for shipping in 24-48 hours NS-01-27-UNGEBOHRT 3000 27 0 0 0 9 1.1 0 6524 588 290 37.97 EUR Add to shopping cart
ready for shipping in 24-48 hours NS-01-27-AR 3000 27 60 0 20 20/49,5 9 1.1 M4 6524 588 290 50.08 EUR Add to shopping cart
More about selected part:
3D-CAD 3D-CAD
Sample request Sample request
PDF PDF
Quote request Quote request
myCatalog myCatalog

For unbored rails please indicate "Unbored" in the remark.
* for cylinder screw with low head

Version 01: Carriage with mounting nuts

Order no. Designation Weight of carriage    
    [g]    
ready for shipping in 24-48 hours NW-02-27-HT Carriage clipped on, temperatures up to 130°C 12.5 15.92 EUR Add to shopping cart
ready for shipping in 24-48 hours NW-02-27-P Carriage with pretension 12.5 6.36 EUR Add to shopping cart
ready for shipping in 24-48 hours NW-02-27-LLY Carriage, floating bearing y-direction 12.5 6.36 EUR Add to shopping cart
ready for shipping in 24-48 hours NW-02-27-LLZ Carriage, floating bearing z-direction 12.5 6.36 EUR Add to shopping cart
ready for shipping in 24-48 hours NW-02-27-LLYZ Carriage, floating bearing y- und z-direction 12.5 6.36 EUR Add to shopping cart
More about selected part:
3D-CAD 3D-CAD
Sample request Sample request
PDF PDF
Quote request Quote request
myCatalog myCatalog

Version 01: Dimensions [mm] - guide carriages

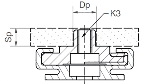
Part. No. H A C C1 C2 A2 H2 K2 K3 K4 Spmin. DpØmin. Weight
  ±0,35                       [g/m]
ready for shipping in 24-48 hours NW-02-27-HT 9.5 14 40 30 20 0 0 6.5 12.5
ready for shipping in 24-48 hours NW-02-27-P 9.5 14 40 30 20 0 0 M4 5 6.5 12.5
ready for shipping in 24-48 hours NW-02-27-LLY 9.5 14 40 30 20 0 0 M4 5 6.5 12.5
ready for shipping in 24-48 hours NW-02-27-LLZ 9.5 14 40 30 20 0 0 M4 5 6.5 12.5
ready for shipping in 24-48 hours NW-02-27-LLYZ 9.5 14 40 30 20 0 0 M4 5 6.5 12.5
More about selected part:
3D-CAD 3D-CAD
Sample request Sample request
PDF PDF
Quote request Quote request
myCatalog myCatalog

Version 12: Carriage with threaded hole, injection-molded

Order no. Designation Weight of carriage    
    [g]    
ready for shipping in 10 working days NW-12-27-LLY Moulded carriage, floating bearing y-direction 13 6.36 EUR Add to shopping cart
ready for shipping in 24-48 hours NW-12-27-LLZ Moulded carriage, floating bearing z-direction 13 6.36 EUR Add to shopping cart
ready for shipping in 24-48 hours NW-12-27-LLYZ Moulded carriage, floating bearing y und z-direction 13 6.36 EUR Add to shopping cart
More about selected part:
3D-CAD 3D-CAD
Sample request Sample request
PDF PDF
Quote request Quote request
myCatalog myCatalog

Version 12: Dimensions [mm] - guide carriages

Part. No. H A C C1 C2 A2 H2 K2 K3 K4 Spmin. DpØmin. Weight
  ±0,35                       [g/m]
ready for shipping in 10 working days NW-12-27-LLY 9.5 14 34 30 20 0 0 M4 5 6.5 13
ready for shipping in 24-48 hours NW-12-27-LLZ 9.5 14 34 30 20 0 0 M4 5 6.5 13
ready for shipping in 24-48 hours NW-12-27-LLYZ 9.5 14 34 30 20 0 0 M4 5 6.5 13
More about selected part:
3D-CAD 3D-CAD
Sample request Sample request
PDF PDF
Quote request Quote request
myCatalog myCatalog

Ordering of a complete system

Configuration in few steps:

1. Selection of the number of carriages
2. Selection of the type of carriagel
3. Entry of the rail length in mm
4. Selection of the carriage options
5.

Hint:

Detailed information can be found below in the drawings as well as in the below-mentioned pages. You can obtain precise specifications on the floating bearing options within the design rules.
1

no floating bearing

2

Floating bearing in z-direction

3

Floating bearing in y-direction

4

Floating bearing in yz-direction

drylin® NK – complete set

Step 1

Enter the required number of carriages.

technical drawing
No. of carriages:


ready for shipping in 24-48 hours
ready for shipping in 10 working days

The terms "Apiro", "AutoChain", "CFRIP", "chainflex", "chainge", "chains for cranes", "ConProtect", "cradle-chain", "CTD", "drygear", "drylin", "dryspin", "dry-tech", "dryway", "easy chain", "e-chain", "e-chain systems", "e-ketten", "e-kettensysteme", "e-loop", "energy chain", "energy chain systems", "enjoyneering", "e-skin", "e-spool", "fixflex", "flizz", "i.Cee", "ibow", "igear", "iglidur", "igubal", "igumid", "igus", "igus improves what moves", "igus:bike", "igusGO", "igutex", "iguverse", "iguversum", "kineKIT", "kopla", "manus", "motion plastics", "motion polymers", "motionary", "plastics for longer life", "print2mold", "Rawbot", "RBTX", "RCYL", "readycable", "readychain", "ReBeL", "ReCyycle", "reguse", "robolink", "Rohbot", "savfe", "speedigus", "superwise", "take the dryway", "tribofilament", "tribotape", "triflex", "twisterchain", "when it moves, igus improves", "xirodur", "xiros" and "yes" are legally protected trademarks of the igus® SE & Co. KG/ Cologne in the Federal Republic of Germany and where applicable in some foreign countries. This is a non-exhaustive list of trademarks (e.g. pending trademark applications or registered trademarks) of igus SE & Co. KG or affiliated companies of igus in Germany, the European Union, the USA and/or other countries or jurisdictions.

igus® SE & Co. KG points out that it does not sell any products of the companies Allen Bradley, B&R, Baumüller, Beckhoff, Lahr, Control Techniques, Danaher Motion, ELAU, FAGOR, FANUC, Festo, Heidenhain, Jetter, Lenze, LinMot, LTi DRiVES, Mitsubishi, NUM,Parker, Bosch Rexroth, SEW, Siemens, Stöber and all other drive manufacturers mention on this website. The products offered by igus® are those of igus® SE & Co. KG